服务热线:150 0066 6432
沃茈阀门(上海)有限公司生产销售的D941W电动通风蝶阀主要用于冶金、化工、建材、电站、玻璃等行业中的通风、环保工程的含尘冷风或热风气体管道中,作为气体介质调节流量或切断装置。
一、D941W电动通风蝶阀产品特点:
1、采用中线式碟板与短结构钢板焊接的新型结构形式设计制造的,结构紧凑、重量轻、便于安装、流阻小、流通量大,避免高温膨胀的影响,操作轻便。
2、使用寿命长,可以多工位安装,不受介质流向影响。
二、D941W电动通风蝶阀用途及特点:
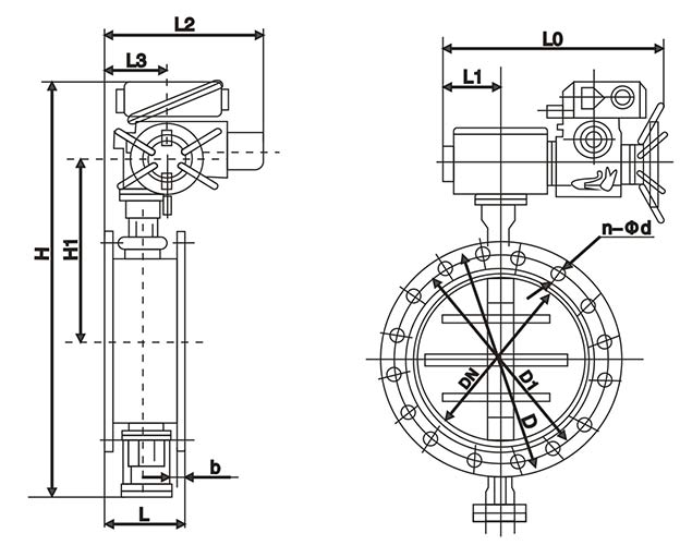
三、D941W电动通风蝶阀产品尺寸

dn | d | d1 | l | l1 | l2 | n-фd | b |
300 | 405 | 370 | 120 | 716 | 220 | 8-12 | 10 |
350 | 455 | 420 | 140 | 786 | 240 | 8-14 | 10 |
400 | 505 | 470 | 140 | 924 | 270 | 12-18 | 10 |
450 | 570 | 530 | 160 | 999 | 295 | 12-18 | 10 |
500 | 620 | 580 | 160 | 1079 | 325 | 12-18 | 10 |
600 | 720 | 680 | 180 | 1140 | 380 | 16-18 | 12 |
700 | 820 | 780 | 180 | 1240 | 430 | 16-18 | 12 |
800 | 920 | 880 | 200 | 1344 | 490 | 16-18 | 12 |
900 | 1040 | 990 | 200 | 1444 | 540 | 16-18 | 14 |
1000 | 1140 | 1090 | 220 | 1544 | 590 | 20-18 | 14 |
1100 | 1240 | 1190 | 220 | 1644 | 640 | 20-18 | 14 |
1200 | 1340 | 1290 | 240 | 1744 | 690 | 20-18 | 14 |
1300 | 1440 | 1390 | 240 | 1864 | 760 | 20-18 | 16 |
1400 | 1540 | 1490 | 260 | 2020 | 810 | 24-18 | 16 |
1500 | 1640 | 1590 | 260 | 2120 | 860 | 24-18 | 16 |
1600 | 1740 | 1690 | 280 | 2240 | 980 | 24-18 | 16 |
1700 | 1840 | 1790 | 280 | 2340 | 1030 | 28-22 | 16 |
1800 | 1940 | 1890 | 300 | 2440 | 1096 | 28-22 | 16 |
1900 | 2040 | 1990 | 300 | 2540 | 1146 | 32-22 | 16 |
2000 | 2150 | 2090 | 320 | 2640 | 1196 | 32-26 | 16 |
2200 | 2360 | 2300 | 340 | 3252 | 1296 | 36-26 | 16 |
2400 | 2560 | 2500 | 360 | 3452 | 1396 | 36-26 | 18 |
2600 | 2760 | 2700 | 380 | 3652 | 1496 | 40-26 | 18 |
2800 | 2960 | 2900 | 400 | 3852 | 1596 | 40-26 | 18 |
3000 | 3190 | 3110 | 400 | 3896 | 1698 | 44-30 | 18 |
3200 | 3390 | 3310 | 440 | 4110 | 1798 | 44-30 | 20 |
3400 | 3590 | 3510 | 440 | 4396 | 1898 | 48-30 | 20 |
3600 | 3790 | 3710 | 480 | 4636 | 1998 | 48-30 | 20 |
3800 | 4000 | 3910 | 480 | 4886 | 2098 | 52-30 | 22 |
4000 | 4210 | 4120 | 520 | 5160 | 2210 | 52-30 | 22 |