服务热线:150 0066 6432
一、D641W气动通风蝶阀简介
沃茈阀门(上海)有限公司生产销售的D641W气动通风蝶阀采用与阀体相同材料加工成密封圈,采用电或气动传动。其适用温度随阀体选材而定,公称压力≤0.6mpa,一般适用于工业、冶金、环保等管道作通风调节介质流量之用。
二、D641W气动通风蝶阀主要特点
1、设计新颖、合理,重量轻,启闭迅速。
2、操力矩小,操作方便,省力灵巧。
3、采用适应的材料以满足低、中、高不同介质温度其及腐蚀性介质等。
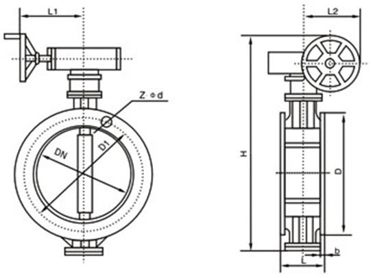
三、D641W气动通风蝶阀外形尺寸 (pn0.5、2.5)

| 公称通径 毫米 | 结构长度 (标准值) | 外形尺寸 (参考值) | 连接尺寸(标准值) | 气动执行器型号 | |||||||
| 0.05mpa和0.25mpa | |||||||||||
| dn | 英寸 | l | h | h1 | d | d1 | d2 | z-d | a | w | |
| 100 | 4 | 120 | 105 | -- | 210 | 170 | 144 | 4-18 | 140 | 70 | gtd63 |
| 125 | 5 | 120 | 120 | -- | 240 | 200 | 174 | 8-18 | 140 | 70 | gtd63 |
| 150 | 6 | 120 | 132 | -- | 265 | 225 | 199 | 8-18 | 186 | 91 | gtd83 |
| 200 | 8 | 140 | 160 | -- | 320 | 280 | 254 | 8-18 | 186 | 91 | gtd83 |
| 250 | 10 | 140 | 187 | -- | 375 | 335 | 309 | 12-18 | 186 | 91 | gtd83 |
| 300 | 12 | 170 | 220 | -- | 440 | 395 | 363 | 12-22 | 254 | 120 | gtd110 |
| 350 | 14 | 170 | 245 | -- | 490 | 445 | 413 | 12-22 | 254 | 120 | gtd110 |
| 400 | 16 | 190 | 270 | -- | 540 | 495 | 463 | 16-22 | 254 | 120 | gtd110 |
| 450 | 18 | 190 | 297 | -- | 595 | 550 | 518 | 16-22 | 296 | 137 | gtd127 |
| 500 | 20 | 190 | 322 | -- | 645 | 600 | 568 | 20-22 | 296 | 137 | gtd127 |
| 600 | 24 | 210 | 377 | -- | 755 | 705 | 667 | 20-26 | 296 | 137 | gtd127 |
| 700 | 28 | 210 | 430 | -- | 860 | 810 | 772 | 24-26 | 384 | 173 | gtd160 |
| 800 | 32 | 210 | 487 | -- | 975 | 920 | 878 | 24-30 | 384 | 173 | gtd160 |
| 900 | 36 | 250 | 537 | -- | 1075 | 1020 | 978 | 24-30 | 384 | 173 | gtd160 |
| 1000 | 40 | 250 | 587 | -- | 1175 | 1120 | 1078 | 28-30 | 501 | 208 | gtd190 |
| 1200 | 48 | 250 | 687 | -- | 1375 | 1320 | 1280 | 32-30 | 501 | 208 | gtd190 |
| 1400 | 56 | 300 | 700 | -- | 1575 | 1520 | 1480 | 36-30 | 501 | 208 | gtd190 |
| 1600 | 84 | 300 | 895 | -- | 1790 | 130 | 1690 | 40-30 | 501 | 208 | gtd190 |
| 1800 | 72 | 300 | 995 | -- | 1990 | 1930 | 1880 | 44-30 | 1090 | 230 | aw17 |
| 2000 | 80 | 300 | |||||||||