服务热线:150 0066 6432
一、D671X气动upvc蝶阀概述
沃茈阀门(上海)有限公司生产销售的D671X气动upvc蝶阀重量轻、耐腐蚀性强,被应用于多个领域,如一般纯水和生活饮水的管路系统、排水和污水管路系统、盐水和海水管路系统、酸碱和化学溶液系统等多个行 业,品质得到广大用户的认可。
1、外型结构紧凑美观
2、本体重量轻容易安装
3、耐腐蚀性强,应用范围广
4、材质卫生无毒
5、耐磨损、容易拆卸,维护简单易
二、D671X气动upvc蝶阀主要参数
| 空气驱动 | 压缩空气4-6bar(可带手轮) |
| 公称通径 | 50~300mm |
| 公称压力 | 1.0~1.6mpa |
| 适用温度 | 0~+60℃ |
| 连接方式 | 对夹 |
| 阀结构 | a型 |
| 阀体材质 | upvc、cpvc、pp |
| 阀芯材质 | upvc、cpvc、pp、ptfe |
| 密封材质 | fpm、epdm、nbr |
| 适用介质 | pvc兼容的食品工业化学溶剂 |
| 可选附件 | 限位开关、定位器、电磁阀、减压阀 |
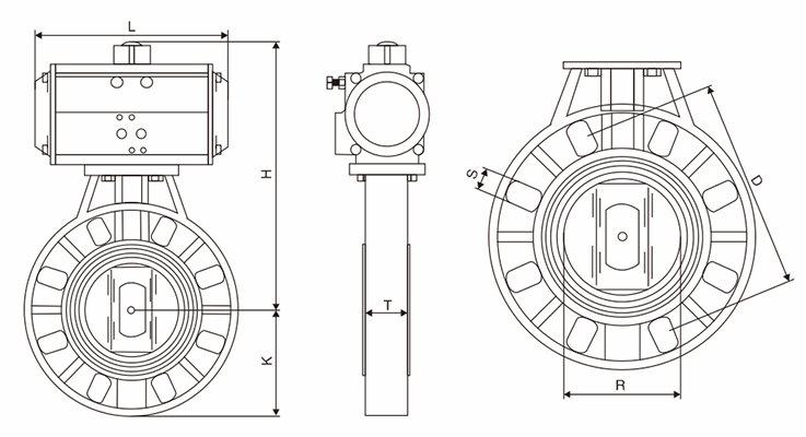
三、D671X气动upvc蝶阀主要外型尺寸

| 通径(mm) | 英寸″ | 尺寸(mm) | |||||||||
| l | d1 | d2-ansi | d2-jis | d2-din | d3 | h | n-φm-ansi | n-φm-jsi | n-φm-din | ||
| 50 | 2 | 43 | 56.5 | 120.39 | 120 | 125 | 165 | 103 | 4-19 | 4-19 | 4-18 |
| 65 | 21/2 | 47.5 | 70 | 139.44 | 140 | 145 | 185 | 113 | 4-19 | 4-19 | 4-18 |
| 80 | 3 | 47.5 | 79 | 152.4 | 150 | 160 | 201 | 115 | 4-19 | 4-19 | 4-18 |
| 100 | 4 | 57.2 | 103 | 190.5 | 175 | 180 | 229 | 135 | 8-19 | 8-19 | 8-18 |
| 125 | 5 | 66 | 130 | 216 | 210 | 210 | 257 | 165 | 8-22 | 8-23 | 8-18 |
| 150 | 6 | 74 | 151 | 241.55 | 240 | 240 | 285 | 177 | 8-22 | 8-23 | 8-23 |
| 200 | 8 | 87.5 | 200 | 298.5 | 290 | 295 | 343 | 210 | 8-22 | 8-23 | 8-23 |
| 250 | 10 | 110 | 255 | 362 | 355 | 350 | 411 | 240 | 12-25 | 12-25 | 12-23 |
| 300 | 12 | 129 | 311 | 432 | 400 | 400 | 490 | 297 | 12-25 | 12-25 | 12-23 |