服务热线:150 0066 6432
一、D673H/F气动硬密封对夹蝶阀产品概述
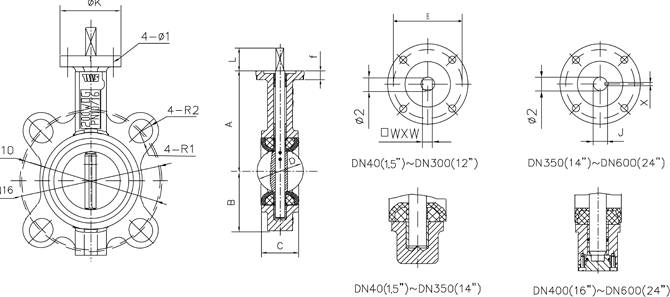
沃茈阀门(上海)有限公司生产销售的D673H/F气动硬密封对夹蝶阀采用精密的j形弹性密封圈和三偏心多层次金属硬密封结构,被广泛用于介质温度≤425℃的冶金 、电力、石油化工、以及给排水和市政建设等工业管道上,作调节流量和载断流体使用。该阀采用三偏心结构,阀座与碟板密封面均采用不同硬度和不锈钢制作,具有良好的耐腐蚀性,使用寿命长,本阀具有双向密封功能,产品符合gb/t13927-92阀门压力试验标准。
二、D673H/F气动硬密封对夹蝶阀特点
1、本阀采用三偏心密封结构,阀座与蝶板几乎无磨损,具有越观越紧的密封功能。
2、密封圈选用不锈钢制作,具有金属硬密封和弹性密封的双重优点,无论在低温和高温的情况下,均具有优良的密封性能,具有耐腐蚀、使用寿命长等特点。
3、蝶板密封面采用堆焊钴基硬质合金、密封面耐磨损、使用寿命长。
4、大规格蝶板采用绗架结构,强度高、过流面积大、流阻小。
5、本阀具有双向密封功能,安装时不受介质流向的限制,也不受空间位置的影响,可在任何方向安装。
6、驱动装置可以多工位(旋转90°或180°)安装,便于用户使用。
三、D673H/F气动硬密封对夹蝶阀原理
以电磁换向阀控制气动执行机构,使阀杆转动90°达到开关目的。
气缸采用1/4旋转式气缸,角度可调 1°~5°。
四、D673H/F气动硬密封对夹蝶阀主要技术参数
| 技术参数 | |
| 公称通径 | dn50~800mm |
| 连接方式 | 对夹式 |
| 气缸选配 | at系列、gt系列、aw系列、进口执行器系列 |
| 气缸形式 | 双作用、单作用(弹簧复位) |
| 控制方式 | 开关型、调节型、三段式(开度可选) |
| 公称压力 | 16、25、40bar(如需更高压力订货时请注明) |
| 气源压力 | 双作用:4~8bar、单作用:5~8bar |
| 介质温度 | w1:-40~180℃、w3:-30~425℃、w4:-40~425℃ |
| 环境温度 | 标准型:-20~80℃ |
| 阀体材质 | 碳钢(c)、不锈钢(p4、p6) |
| 密封材质 | 聚四氟乙烯(f)、金属硬密封(h)、硬质合金(y) |
备注:其他特殊密封材质或特殊温度亦可根据客户要求设计选型
| 附件选型 | |
| 电磁阀 | 双作用选二位五通、单作用二位五通、单电控双电控订货时注明 |
| 气源处理三联件 | 对气源进行稳压、过滤、气缸润滑 |
| 限位开关 | 远程反馈开关信号 |
| 手操机构 | 可实现手动开、关阀门 |
| 定位器 | 输入模拟量信号(4-20ma或者0-10v),调节阀门开度 |
| 备注 | 以上附件不是标准配件,如需配置订货时候注明,电磁阀和限位开关有分防爆和不防爆,如需防爆还要注明防爆等级 |
五、D673H/F气动硬密封对夹蝶阀主要零件材料
| 主要零件材质表 | |||||||||
| 序号 | 零件名称 | 材质 | 序号 | 零件名称 | 材质 | ||||
| c | p4 | p6 | c | p4 | p6 | ||||
| 1 | 内六角螺丝 | 1gr18ni9ti | 1gr18ni9ti | 1cr18ni12mo2ti | 11 | 阀体 | wcb | zg1cr18ni12mo2ti | zg1cr18ni12mo2ti |
| 2 | 阀盖 | wcb | 1gr18ni9ti | zg1cr18ni12mo2ti | 12 | 阀杆 | 1cr13 | 1gr18ni9ti | 1cr18ni12mo2ti |
| 3 | 垫片 | 1gr18ni9ti | 1gr18ni9ti | 1cr18ni12mo2ti | 13 | 连接支架 | wcb | wcb | wcb |
| 4 | 阀座 | ptfe.不锈钢+柔性石墨 | 14 | 键 | 45 | 45 | 45 | ||
| 5 | 垫片 | 1gr18ni9ti | 1gr18ni9ti | 1cr18ni12mo2ti | 15 | 衬套 | ptfe.复合轴承 | ||
| 6 | 蝶板 | wcb | zg1cr18ni12mo2ti | zg1cr18ni12mo2ti | 16 | 填料 | ptfe.柔性石墨 | ||
| 7 | 圆柱销 | 45 | 1gr18ni9ti | 1cr18ni12mo2ti | 17 | 压盖 | wcb | zg1cr18ni9ti | zg1cr18ni12mo2ti |
| 8 | 下盖 | wcb | zg1cr18ni12mo2ti | zg1cr18ni12mo2ti | 18 | 气动装置 | 挤压铝合金 | ||
| 9 | 垫片 | ptfe.不锈钢+柔性石墨 | 19 | 位置指示器 | 塑料 | ||||
| 10 | 衬套 | ptfe.复合轴承 | |||||||
备注:其他零部件及密封圈的材质亦可根据实际工况或客户要求设计选型
六、D673H/F气动硬密封对夹蝶阀主要外形尺寸


| 主要外形尺寸-pn16(16bar) | |||||||
| 公称通径[dn] | 外形尺寸 | 连接尺寸 | 执行器型号 | ||||
| l | l1 | l2 | h | d | n-d | ||
| 50 | 43 | 159/211 | 83/95 | 277/205 | 125 | 4-18 | atd63/ate75 |
| 65 | 46 | 211/248 | 95/107 | 287/315 | 145 | 4-18 | atd75/ate88 |
| 80 | 46 | 248/269 | 107/123 | 365/375 | 160 | 8-18 | atd88/ate100 |
| 100 | 52 | 269/315 | 123/141 | 420/436 | 180 | 8-18 | atd100/ate115 |
| 125 | 56 | 315/345 | 141/152 | 436/462 | 210 | 8-18 | atd115/ate125 |
| 150 | 56 | 345/409 | 152/172 | 466/543 | 240 | 8-22 | atd125/ate145 |
| 200 | 60 | 409/438 | 172/187 | 593/665 | 295 | 12-22 | atd145/ate160 |
| 250 | 68 | 436/559 | 187/215 | 682/752 | 355 | 12-26 | atd160/ate190 |
| 300 | 78 | 550/600 | 215/240 | 725/772 | 410 | 12-26 | atd190/ate210 |
| 350 | 78 | 600/633 | 240/262 | 832/880 | 470 | 16-26 | atd210/ate240 |
| 400 | 102 | 633/730 | 262/330 | 862/968 | 525 | 16-30 | atd240/ate270 |
| 450 | 114 | 633 | 262 | 945/1005 | 585 | 20-30 | atd240/ate25 |
| 500 | 127 | 730 | 300 | 1058/1060 | 650 | 20-33 | atd270/ate25 |
| 600 | 154 | 1320/1970 | 440/480 | 1108/1195 | 770 | 20-36 | atd25/ate28 |
| 700 | 165 | 1430/2700 | 480/560 | 1170/1255 | 840 | 24-36 | atd28/ate35 |
| 800 | 190 | 1430/2700 | 480/560 | 1325/1365 | 950 | 24-39 | atd25/ate35 |
备注:根据不同的阀门扭矩,不同的气源压力以及不同的实际工况,选择相匹配的执行器其相关外形尺寸也随之变化