服务热线:150 0066 6432
一、沃茈阀门(上海)有限公司生产销售的Q45F法兰三通球阀特点
1、三通球阀在结构上采用一体化结构,可靠性高,设计实现了轻量化。
2、三通球芯分t形和l形,使用寿命长,流通能力大,阻力小。
3、结构简单、体积小、重量轻。
4、紧密可靠。目前球阀的密封面材料广泛使用各种塑料,密封性好,能实现完全密封。在真空系统中也被广泛使用。
5、操作方便,开闭迅速,从全开到全关只要旋转90°,便于远距离的控制。
6、维修方便,球阀结构简单,密封圈一般都是活动的,拆卸更换都比较方便。
7、在全开或全闭时,球体和阀座的密封面与介质隔离,介质通过时,不会引起阀门密封面的侵蚀。
8、由于球阀在启闭过程中有擦拭性,所以可用于带悬浮固体颗粒的介质中。
二、Q45F三通法兰球阀适应工况
适用于供水、石化、冶金、矿山、轻纺、能源、造纸、食品、钢铁等管路系统中对介质流向进行切换以及对介质的分流或混合流体。
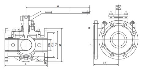
三、Q45F三通法兰球阀主要外形尺寸

| 150lb-300lb | |||||||||||||||
| 尺寸 | inch | 1/2" | 3/4" | 1" | 1-1/4" | 1-1/2" | 2" | 2-1/2" | 3" | 4" | 5" | 6" | 8" | 10" | 12" |
| dn | 15 | 20 | 250 | 40 | 40 | 50 | 65 | 80 | 100 | 125 | 150 | 200 | 250 | 300 | |
| l | mm | 140 | 160 | 180 | 200 | 220 | 240 | 260 | 280 | 320 | 380 | 440 | 540 | - | - |
| h | mm | 90 | 95 | 105 | 115 | 135 | 140 | 155 | 185 | 210 | 275 | 305 | 335 | - | - |
| w | mm | 140 | 140 | 155 | 250 | 250 | 350 | 350 | 420 | 700 | 1000 | 1300 | 1800 | - | - |
| 1/2(l) | mm | 70 | 80 | 90 | 100 | 110 | 120 | 130 | 140 | 160 | 190 | 220 | 270 | - | - |
| 1.6mpa-4.0mpa | |||||||||||||||
| 尺寸 | inch | 1/2" | 3/4" | 1" | 1-1/4" | 1-1/2" | 2" | 2-1/2" | 3" | 4" | 5" | 6" | 8" | 10" | 12" |
| dn | 15 | 20 | 250 | 40 | 40 | 50 | 65 | 80 | 100 | 125 | 150 | 200 | 250 | 300 | |
| mm | 140 | 160 | 180 | 200 | 220 | 240 | 260 | 280 | 320 | 380 | 440 | 540 | - | - | |
| l | mm | 90 | 95 | 105 | 115 | 135 | 140 | 155 | 185 | 210 | 275 | 305 | 335 | - | - |
| h | mm | 140 | 140 | 155 | 250 | 250 | 350 | 350 | 420 | 700 | 1000 | 1300 | 1800 | - | - |
| w | mm | 70 | 80 | 90 | 100 | 110 | 120 | 130 | 140 | 160 | 190 | 220 | 270 | - | - |