服务热线:150 0066 6432
一、沃茈阀门(上海)有限公司生产销售的Q41M 高温球阀特点
1、结构简单、体积小、重量轻,
2、紧密可靠。它有两个密封面,而且球阀的密封面材料广泛使用各种塑料,密封性好,能实现完全密封。在真空系统中也已广泛使用。
3、操作方便,开闭迅速,从全开到全关只要旋转90°,便于远距离的控制。
4、维修方便,球阀结构简单,密封圈一般都是活动的,拆卸更换都比较方便。
5、在全开或全闭时,球体和阀座的密封面与介质隔离,介质通过时,不会引起阀门密封面的侵蚀。
6、由于球阀在启闭过程中有擦拭性,所以可用于带悬浮固体颗粒的介质中。 7、流体阻力小,全通径的球阀基本没有流阻。
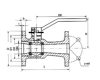
二、Q41M高温球阀尺寸


型号 | 公称通径 | 尺寸mm | |||||||
l | d | d1 | d2 | b-d | z-φd | h | d0 | ||
q41m-16p | 15 | 115 | 95 | 65 | 45 | 14-2 | 4-14 | 105 | 150 |
20 | 130 | 105 | 75 | 55 | 16-2 | 4-14 | 110 | 150 | |
25 | 140 | 115 | 85 | 65 | 16-2 | 4-14 | 120 | 160 | |
32 | 165 | 135 | 100 | 78 | 16-2 | 4-18 | 145 | 160 | |
40 | 180 | 145 | 110 | 85 | 16-3 | 4-18 | 155 | 250 | |
50 | 200 | 160 | 125 | 100 | 18-3 | 4-18 | 175 | 300 | |
65 | 220 | 180 | 145 | 120 | 18-3 | 4-18 | 195 | 300 | |
80 | 250 | 195 | 160 | 135 | 20-3 | 8-18 | 225 | 320 | |
100 | 280 | 215 | 180 | 155 | 20-3 | 8-18 | 255 | 320 | |
125 | 320 | 245 | 210 | 185 | 20-3 | 8-18 | 285 | 400 | |
150 | 360 | 280 | 240 | 210 | 24-3 | 8-23 | 295 | 400 | |
200 | 400 | 335 | 295 | 265 | 30-3 | 12-23 | 330 | 450 | |