服务热线:150 0066 6432
一、H41W/H国标升降式止回阀产品概述
沃茈阀门(上海)有限公司生产销售的H41W/H国标升降式止回阀适用于中、小口径管路的各种压力、温度和介质下控制接通或截断管路介质的启闭装置;依靠阀瓣自重和流体压差实现自动阻止流体倒流。
二、H41W/H国标升降式止回阀产品特点
1、当介质由阀体箭头所示流向进入阀体,介质的压力作用在阀瓣上产生向上的推力,当介质推力大于阀瓣重力时,阀门打开。当阀后介质压力作用在阀瓣上的力加上阀瓣自身重力大于阀前压力作用在阀瓣上的力时,阀门关闭,阻止介质倒流。
2、国标升降式止回阀具有结构简单,动作可靠,维修方便等优点,广泛应用于净化设备、石油、化工、冶金、电力、轻纺等生产过程中。
三、H41W/H国标升降式止回阀性能规范
| 阀体材料 | 公称压力 (mpa) | 工作温度 (℃) | 适用介质 | |
| 碳 钢 | 1.6-6.4 | ≤425 | 水、油品、蒸汽 | |
| 10.0、16.0 | ≤450 | / | ||
| 不锈钢 | p | 1.6-16.0 | ≤200 | 硝酸类 |
| r | / | / | 醋酸类 | |
| 铬镍钛 耐热钢 | pi | 1.6-6.4 | ≤550 | 石油、石油产品 |
| 铬钼钢 | 1.6-16.0 | ≤550 | 油 | |
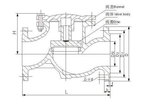
四、H41W/H国标升降式止回阀主要外形尺寸

| 公称压力 pn | 公称通径 dn | 主要连接尺寸 | 外形 尺寸 | ||||||||
| l | d | d 1 | d 2 | d 6 | b | f | f 1 | z-φd | h | ||
| 1.6mpa | 40 | 200 | 145 | 110 | 85 | - | 16 | 2 | - | 4-18 | 95 |
| 50 | 230 | 160 | 125 | 100 | - | 16 | 2 | - | 4-18 | 105 | |
| 65 | 290 | 180 | 140 | 120 | - | 18 | 2 | - | 4-18 | 120 | |
| 80 | 310 | 195 | 165 | 135 | - | 20 | 3 | - | 8-18 | 130 | |
| 100 | 350 | 215 | 180 | 155 | - | 20 | 3 | - | 8-18 | 140 | |
| 125 | 400 | 245 | 210 | 185 | - | 22 | 3 | - | 8-12 | 155 | |
| 150 | 480 | 280 | 240 | 210 | - | 24 | 3 | - | 8-23 | 180 | |
| 200 | 600 | 335 | 295 | 265 | - | 26 | 3 | - | 12-23 | 215 | |