服务热线:150 0066 6432
沃茈阀门(上海)有限公司生产销售的H41N液化气止回阀广泛应用于天燃气液化气行业。
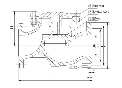
H41N液化气止回阀产品尺寸

| pn | dn | l | h | d | d1 | d2 | b | f | z-φd |
| 2.5mpa 4.0mpa | 25 | 160 | 115 | 115 | 85 | 65 | 16 | 2 | 4-14 |
| 32 | 190 | 120 | 135 | 100 | 78 | 18 | 3 | 4-18 | |
| 40 | 200 | 140 | 145 | 110 | 85 | 18 | 3 | 4-18 | |
| 50 | 230 | 150 | 160 | 125 | 100 | 20 | 3 | 4-18 | |
| 80 | 310 | 175 | 195 | 160 | 135 | 22 | 3 | 8-18 | |
| 100 | 350 | 200 | 230 | 190 | 160 | 24 | 3 | 8-23 | |
| 150 | 480 | 265 | 300 | 250 | 218 | 30 | 3 | 8-25 | |
| 200 | 600 | 300 | 360 | 310 | 278 | 34 | 4 | 12-25 |