服务热线:150 0066 6432
一、D341F46法兰衬氟蝶阀(中线)简述
沃茈阀门(上海)有限公司生产销售的D341F46法兰衬氟蝶阀(中线)采用带有球形密封表面的衬氟塑料包衬蝶板,配以阀座基部的硅橡胶衬垫调节阀门的密封性能;该阀门操作轻便,严密的密封性能,较长的使用寿命;可作快速切断或调节流量之用。适用于要求可靠密封和良好调节特性的场合。阀体采用分体式,阀轴现端的密封由蝶板与阀座之间的旋转基面加氟橡胶来控制,从而达到产品结构紧凑、外形美观、工艺合理、性能可靠。保证阀轴不与腔内流体介质接触,更换阀轴时非常方便,阀门不需要拆离离管道即可完成。产品广泛适用于各种不同类型工业管道中液体和气体(包括蒸气)的输送,特别是具有严惩腐蚀性介质的使用场合如硫酸、氢氟酸、磷、酸、氯气、强碱,王水等具有强腐蚀的介质。
二、D341F46法兰衬氟蝶阀(中线)主要技术参数
| 公称通径dn(mm) | 50~1200 | 50~1600 | |
| 公称压力pn(mpa) | 0.6 | 1.0 | 1.6 |
| 密封试验 (mpa) | 0.66 | 1.1 | 1.76 |
| 强度试验 (mpa) | 0.9 | 1.5 | 2.4 |
| 适用温度 | 丁腈橡胶:-40℃~90℃;氟橡胶:-20℃~200℃ | ||
| 适用介质 | 水、空气、天然气、油品及弱腐蚀性流体 | ||
| 泄漏率 | 符合gb/t13927-92标准 | ||
| 驱动方式 | 蜗轮传动、电动、气动、液动 | ||
三、D341F46法兰衬氟蝶阀(中线)主要零部件材料
| 零件名称 | 材料 |
| 阀体 | wcb、qt450-10、ht200、ht250 |
| 蝶板 | wcb、qt450-10、ht200、ht250 |
| 阀轴 | 2cr13 |
| 密封圈 | 丁腈耐油橡胶 |
| 填料 | 柔性石墨 |
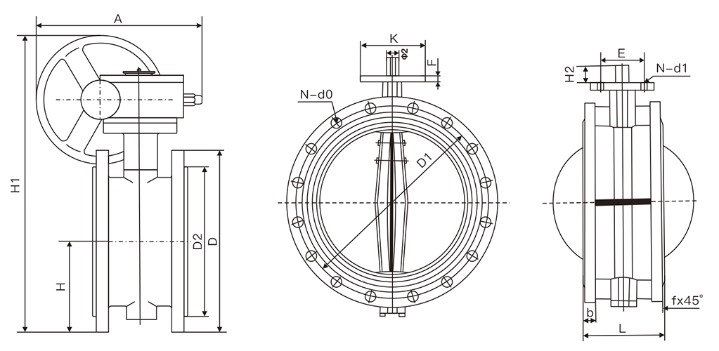
四、D341F46法兰衬氟蝶阀(中线)主要外形连接尺寸 单位:mm

| dn | l | h | h1 | a | b | фd | ||
| 0.6mpa | 1.0mpa | 1.6mpa | ||||||
| 50 | 43 | 77 | 309 | 180 | 200 | 88 | 99 | 99 |
| 65 | 46 | 85 | 320 | 180 | 200 | 108 | 118 | 118 |
| 80 | 46 | 95 | 340 | 180 | 200 | 124 | 132 | 132 |
| 100 | 52 | 105 | 360 | 180 | 200 | 144 | 156 | 156 |
| 125 | 56 | 129 | 405 | 180 | 200 | 174 | 184 | 184 |
| 150 | 56 | 132 | 450 | 270 | 280 | 199 | 211 | 211 |
| 200 | 60 | 165 | 607 | 270 | 280 | 254 | 266 | 266 |
| 250 | 68 | 197 | 659 | 270 | 280 | 309 | 319 | 319 |
| 300 | 78 | 234 | 742 | 380 | 420 | 363 | 370 | 370 |
| 350 | 78 | 283 | 792 | 380 | 420 | 413 | 429 | 429 |
| 400 | 102 | 325 | 887 | 450 | 470 | 463 | 480 | 480 |
| 450 | 114 | 369 | 935 | 480 | 490 | 518 | 530 | 548 |
| 500 | 127 | 404 | 985 | 480 | 490 | 568 | 582 | 609 |
| 600 | 154 | 470 | 1243 | 480 | 490 | 667 | 682 | 720 |
| 700 | 165 | 503 | 1346 | 640 | 660 | 772 | 794 | 794 |
| 800 | 190 | 571 | 1466 | 640 | 660 | 878 | 901 | 901 |
| 900 | 203 | 621 | 1565 | 750 | 860 | 978 | 1001 | 1001 |
| 1000 | 216 | 702 | 1781 | 850 | 900 | 1078 | 1112 | 1112 |
| 1200 | 254 | 818 | 1965 | 850 | 900 | 1295 | 1328 | 1328 |