f943x electric split blind valve main structural features
1, the valve by the valve body, drive, clamping devices and other components.
2, the valve body with three-point structure, compact structure, the overall rigidity, good weight.
3, the valve body, valve seal pair of stainless steel and rubber composition of the flexible seal, reliable sealing, sealing ring using fluorine rubber, high temperature, long service life.
4, clamping mechanism using screw nut type, clamping, release quickly, self-locking is good.
5, using explosion-proof motor, both indoors and outdoors, can ensure the safe and reliable operation of the valve.
6, the blind valve can be manually operated on site, but also long-distance sequence control.
7, the blind valve can also be individually designed electrical control box operation control device, the machine factory does not match the electrical control box, the user for another set.
f943x electric split blind valve work for principle
1, the valve is opened to the valve is closed:
clamping motor action, driven screw for counterclockwise rotation, the valve body loose in place (indicator light shows), drive motor action, drive the counterclockwise rotation of the gate in place, the gate closed in place (indicator light), clamping motor action, driven screw clockwise rotation, the valve body clamping in place (indicator shows) to complete the valve from opening to closing the whole process.
2, the valve from close to open:
clamping motor action, driven screw for counterclockwise rotation, the valve body loose in place (indicator light shows), drive motor action, drive the gate for clockwise rotation, the gate opens in place, ( indicator shows) to complete the valve from the closed to open the whole process.
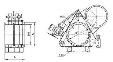
f943x electric split blind valve main dimensions

dn | d | d1 | b | n-φd | l |
300 | 440 | 395 | 22 | 12-φ22 | 580 |
350 | 490 | 445 | 24 | 12-φ22 | 580 |
400 | 540 | 495 | 24 | 16-φ22 | 680 |
450 | 595 | 550 | 24 | 16-φ22 | 680 |
500 | 645 | 600 | 24 | 16-φ22 | 680 |
600 | 755 | 705 | 26 | 20-φ26 | 680 |
700 | 860 | 810 | 26 | 24-φ26 | 680 |
800 | 975 | 920 | 26 | 24-φ30 | 680 |
900 | 1075 | 1020 | 26 | 24-φ30 | 710 |
1000 | 1175 | 1120 | 26 | 28-φ30 | 710 |
1100 | 1275 | 1220 | 26 | 28-φ30 | 710 |
1200 | 1375 | 1320 | 26 | 32-φ30 | 730 |
1300 | 1475 | 1420 | 26 | 32-φ30 | 830 |
1400 | 1575 | 1520 | 26 | 36-φ30 | 830 |
1500 | 1675 | 1620 | 26 | 36-φ30 | 830 |
1600 | 1790 | 1730 | 26 | 40-φ30 | 830 |