f343cx manual worm gear blind valve structural characteristics
f343cx manual worm gear blind valve produced and sold by woci valve group is mainly composed of the left valve body, the right valve body, the screw rod pair, the flap, the seal ring, the lever, the worm gear and other components. the rigid base body and the support column form a rigid structure body. rubber ring embedded in the flap, with high temperature, good sealing performance, easy replacement, long service life and so on.
f343cx manual worm gear blind valve main performance parameters
| nominal pressure mpa | 0.25 | 0.15 | 0.10 | 0.05 |
| seal test pressure mpa | 0.275 | 0.165 | 0.11 | 0.055 |
| strength test pressure mpa | 0.40 | 0.225 | 0.15 | 0.075 |
| drive source | compressed air 0.4-0.6mpa; hydraulic pressure 6.3mpa; 3-phase 380v50hz | |||
| applicable temperature ℃ | nitrile rubber | silicone rubber | fluororubber | |
| -20-100 | -20-200 | -20-300 | ||
| suitable media | gas and other toxic, harmful, flammable gas | |||
| opening and closing time s | ≤60 | |||
| the main components of the material | valve body, the gate for the carbon steel; screw for the alloy steel; nut manganese copper alloy, ductile iron; expansion device for stainless steel | |||
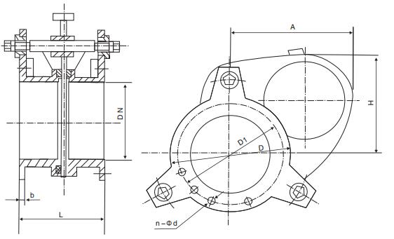
f343cx manual worm gear blind valve main connection size:

| dn | d | d1 | b | n-φd | l |
| 300 | 440 | 395 | 22 | 12-φ22 | 500 |
| 350 | 490 | 445 | 22 | 12-φ22 | 500 |
| 400 | 540 | 495 | 22 | 16-φ22 | 600 |
| 450 | 595 | 550 | 24 | 16-φ22 | 600 |
| 500 | 645 | 600 | 24 | 16-φ22 | 600 |
| 600 | 755 | 705 | 24 | 20-φ26 | 600 |
| 700 | 860 | 810 | 26 | 24-φ26 | 800 |
| 800 | 975 | 920 | 26 | 24-φ30 | 800 |
| 900 | 1075 | 1020 | 28 | 24-φ30 | 800 |
| 1000 | 1175 | 1120 | 30 | 28-φ30 | 800 |
| 1100 | 1275 | 1220 | 30 | 28-φ30 | 800 |
| 1200 | 1375 | 1320 | 30 | 32-φ30 | 800 |
| 1300 | 1475 | 1420 | 32 | 32-φ30 | 800 |
| 1400 | 1575 | 1520 | 32 | 36-φ30 | 850 |
| 1500 | 1675 | 1620 | 32 | 36-φ30 | 850 |
| 1600 | 1790 | 1730 | 32 | 40-φ30 | 850 |
| 1800 | 1990 | 1930 | 32 | 44-φ30 | 1100 |
| 2000 | 2190 | 2130 | 32 | 46-φ30 | 1100 |