q41f46 lined fluorine ball valve overview
q41f46 lined fluorine ball valve produced and sold by woci valve group is used with a circular hole for the opening and closing of the ball, the ball with the valve stem around the center line of rotation in order to achieve the valve to open and close. our ball valve series for the q41 type, for the two open structure.
1, using a special molding process, so that the sealing surface is dense and good, combined with v-ptfe packing valve to achieve zero leakage.
2, the ball and stem casting as a whole, put an end to pressure stem stem out of the possibility of pressure within the pressure parts, the fundamental guarantee of safety.
3, the use of all plastic lining technology, resistant to strong corrosion.
q41f46 lined fluorine ball valve drive
manual lined fluorine ball valve, worm gear lined fluorine ball valve, pneumatic lined fluorine ball valve, electric lined fluorine ball valve
q41f46 lined fluorine ball valve parts table
| serial number | part name | grey cast iron | cast steel | stainless steel acid-proof | ultra-low carbon stainless steel acid-proof | ||
| z | c | p | r | pl | rl | ||
| 1 | body / bonnet | ht250 | wcb | cf8 | cf8m | cf3 | cf3m |
| 2 | sphere / stem | wcb | cf8 | cf8m | cf3 | cf3m | |
| 3 | lining / seat | pctef (f3), fep (f46), pfa (soluble f4), pp, po | |||||
| 4 | packing gland | wcb | cf8 | cf8m | cf3 | cf3m | |
| 5 | filler | ptfe (f4) | ptfe (f4) | ptfe (f4) | |||
| 6 | bracket | 35 | 1cr18ni9ti | 1cr18ni9ti | |||
| 7 | bolt | 35 | cr17ni2 | 1cr18ni2 | |||
| 8 | tighten the nut | 45 | 0cr18ni9 | 0cr18ni9 | |||
| 9 | operating handle | wcb | wcb | wcb | |||
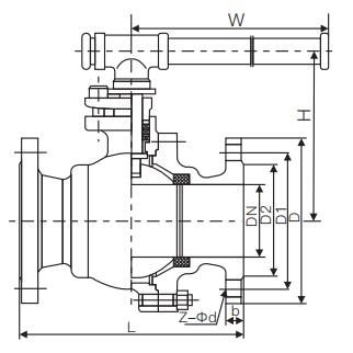
q41f46 lined fluorine ball valve main dimensions and connection dimensions

| nominal diameter | l | d | d1 | d2 | f | b | z-φd | |
| dn (mm) | nps (inch) | pn1.0mpa | ||||||
| 15 | 1/2 | 130 | 95 | 65 | 45 | 2 | 14 | 4-φ14 |
| 20 | 3/4 | 140 | 105 | 75 | 55 | 2 | 16 | 4-φ14 |
| 25 | 1 | 150 | 115 | 85 | 65 | 2 | 16 | 4-φ14 |
| 32 | 5/4 | 165 | 135 | 100 | 78 | 2 | 18 | 4-φ18 |
| 40 | 3/2 | 180 | 145 | 110 | 85 | 3 | 18 | 4-φ18 |
| 50 | 2 | 200 | 160 | 125 | 100 | 3 | 20 | 4-φ18 |
| 65 | 5/2 | 220 | 180 | 145 | 120 | 3 | 20 | 4-φ18 |
| 80 | 3 | 250 | 195 | 160 | 135 | 3 | 22 | 4-φ18 |
| 100 | 4 | 280 | 215 | 180 | 155 | 3 | 22 | 8-φ18 |
| 125 | 5 | 320 | 245 | 210 | 185 | 3 | 24 | 8-φ18 |
| 150 | 6 | 360 | 280 | 240 | 210 | 3 | 24 | 8-φ23 |
| 200 | 8 | 457 | 335 | 295 | 265 | 3 | 26 | 8-φ23 |
| 250 | 10 | 533 | 390 | 350 | 320 | 3 | 28 | 12-φ23 |
| pn1.6mpa | ||||||||
| 15 | 1/2 | 130 | 95 | 65 | 45 | 2 | 14 | 4-φ14 |
| 20 | 3/4 | 130 | 105 | 75 | 55 | 2 | 16 | 4-φ14 |
| 25 | 1 | 140 | 115 | 85 | 65 | 2 | 16 | 4-φ14 |
| 32 | 5/4 | 165 | 135 | 100 | 78 | 2 | 18 | 4-φ18 |
| 40 | 3/2 | 165 | 145 | 110 | 85 | 3 | 18 | 4-φ18 |
| 50 | 2 | 203 | 160 | 125 | 100 | 3 | 20 | 4-φ18 |
| 65 | 5/2 | 222 | 180 | 145 | 120 | 3 | 20 | 4-φ18 |
| 80 | 3 | 241 | 195 | 160 | 135 | 3 | 22 | 8-φ18 |
| 100 | 4 | 305 | 215 | 180 | 155 | 3 | 24 | 8-φ18 |
| 125 | 5 | 356 | 245 | 210 | 185 | 3 | 26 | 8-φ18 |
| 150 | 6 | 394 | 280 | 240 | 210 | 3 | 28 | 8-φ23 |
| 200 | 8 | 457 | 335 | 295 | 265 | 3 | 30 | 12-φ23 |