d363h/w butt-welded hard seal butterfly valve characteristic 1, the use of three eccentric butterfly valve can be called the top process valve, the design of the valve for high temperature, high pressure, fire-resistant foam sealing ideal sealing valve. 2, due to the use of welding structure, so that the valve and the pipeline plane to achieve a permanent zero leakage. 3, the valve can not be flanged, bringing great convenience and beautiful appearance to the pipe and insulation bandaging.
d363h/w butt-welded hard seal butterfly valve main technical parameters
| nominal diameter dn (mm) | dn (100 ~ 400) mm, in4 ~ 48 |
| nominal pressure pn (mpa) | strength test (1.5 × pn) seal test (1.1 × pn) |
| proper temperature | carbon steel: -29 ℃ ~ 425 ℃, stainless steel: -40 ℃ ~ 650 ℃ |
| suitable media | water, steam, hot water, oil |
| drive mode | worm gear, electric, pneumatic, hydraulic |
| pressure level | ansi 150lb / pn25 |
| welding standards | gb12224, ansi b16,25, din2559 |
d363h/w butt-welded hard seal butterfly valve main components of the material
| part name | material |
| body | carbon steel, stainless steel, chrome-aluminum steel |
| butterfly plate | carbon steel, alloy steel, stainless steel |
| seat | 3 stainless steel, cobalt-based cemented carbide |
| sleeve | stainless steel |
| valve stem | stainless steel, special materials |
| filler | flexible graphite |
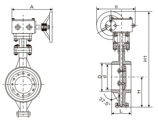
d363h / 663h / d363h/w butt-welded hard seal butterfly valve connection size

| nominal diameter | main dimensions | nominal diameter | main dimensions | ||||||
| in | dn (mm) | l | h1 | h | in | dn (mm) | l | h1 | h |
| 4 | 100 | 190 | 270 | 370 | 18 | 450 | 330 | 535 | 820 |
| 5 | 125 | 200 | 295 | 390 | 20 | 500 | 350 | 560 | 900 |
| 6 | 150 | 210 | 308 | 416 | 24 | 600 | 390 | 630 | 980 |
| 8 | 200 | 230 | 370 | 530 | 28 | 700 | 430 | 670 | 1100 |
| 10 | 250 | 250 | 450 | 580 | 32 | 800 | 470 | 800 | 1300 |
| 12 | 300 | 270 | 465 | 630 | 36 | 900 | 510 | 850 | 1370 |
| 14 | 350 | 290 | 475 | 595 | 40 | 1000 | 550 | 880 | 1480 |
| 16 | 400 | 310 | 505 | 755 | 48 | 1200 | 630 | 1000 | 1690 |