q41f floating ball valve overview:
q41f floating ball valve material of main parts:
| no. | part name | material | |
| gb | astm | ||
| 1 | body | wcb | a2116-wcb |
| 2 | sealing ring | ptfe | ptfe |
| 3 | sphere | 1c18ni9ti | ss304 |
| 4 | nut | 35 | a194-2h |
| 5 | stud | 35crmoa | a193-b7 |
| 6 | stone body | wcb | a216-wcb |
| 7 | gasket | flexible graphite + stainless steel | b12.10-304f / .g |
| 8 | filler | ptfe | ptfe |
| 9 | packing gland | wcb | a2116-wcb |
| 10 | positioning pieces | 25 | a105 |
| 11 | ring | 65mn | aisi 1066 |
| 12 | handle | k33 | a47-667 gr.32510 |
| 13 | valve stem | 1cr33 | a276-410 |
| 14 | screw | 35 | a193-b7 |
| 15 | thrust washer | ptfe | ptfe |
q41f floating ball valve technical specifications:
| design basis | gb series | american standard series | |
| design standards | gb / t12237 | ap16d | ansi b16.34 |
| flange connection structure length | gb / t12221 | ap16d | ansi b16.10 |
| structure length (welding) | gb / t15188.1 | ap16d | ansi b16.10 |
| connect the flange | gb / t9113 jb / t79 hg20592 | ansi b16.5, b16.47 | |
| butt end | gb / t12224 | ansi b16.25 | |
| test and inspection | gb / t9092 | ap16d | ap1598 |
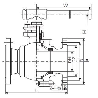
q41f floating ball valve dimensions:

| nominal diameter | 15 | 20 | 25 | 40 | 50 | 65 | 80 | 100 | 125 | 150 | 200 |
| d1 | 13 | 19 | 25 | 38 | 64 | 64 | 76 | 102 | 127 | 152 | 203 |
| l | 108 | 117 | 127 | 165 | 191 | 191 | 203 | 229 | 356 | 394 | 457 |
| h | 59 | 63 | 75 | 95 | 142 | 142 | 152 | 178 | 252 | 272 | 342 |
| w | 130 | 130 | 160 | 230 | 400 | 400 | 400 | 650 | 1050 | 1050 | 1410 |
| wt (kg) | 2.5 | 3 | 5 | 7 | 15 | 19 | 19 | 33 | 58 | 93 | 160 |