dyq40 equipped with eccentric half ball valve product description
dyq40 equipped with eccentric half ball valve produced and sold by woci valve (shanghai) co., ltd is suitable for sewage treatment, pulp, alumina, urban heating and heating, oil, natural gas, liquid two phases of mixed or easily chemical crystallization of media and other requirements of the occasion is strictly prohibited. can be used instead of: general valves, special valves for the oil and chemical industry, special valves for gas, special valves for slurry, special valves for pulverized coal ash and the like.
overbalance hemisphere eccentric eccentric structure principle, through the transmission mechanism to achieve the purpose of tightness, regulation, closure. the double-eccentric structure ball valve is hidden in the valve cavity when the ball valve is opened, and the flow surface is large. when the valve is closed, the spherical surface of the valve core gradually advances along the valve seat, and has a shearing function so as to effectively remove fouling obstacles and achieve reliable sealing.
dyq40 equipped with eccentric half ball valve works
this series of ball valve is the crystallization of the traditional ball valve spiritual changes, it is fixed to the metal ball crown on the eccentric ball, eccentric rotation of the crankshaft by 90 degrees to achieve the valve opening and closing, and metal ball sealing surface contact with the metal seat in the axial and radial float to compensate for the ball and valve seat with the valve. simple and reliable structure and effective sealing method makes it not only can replace the gate valve, but also can be used in non-useable system. it can be widely used in petroleum, chemical, power and metallurgy industries. its core technology is the first in china, and it has unique design and novel structure. its structure adopts the principle of eccentric tightness to achieve the purpose of locking, adjusting and closing through the transmission mechanism. the sealing pair is a hard-surface contact seal of a metal surface ring belt. when the double-eccentric structure is opened, the valve core is located in a tibetan ball room, the valve is not washed, the valve core is not washed off when it is closed, and when the valve core is opened, the valve core gradually advances along the valve seat to effectively remove scaling problems and achieve reliable sealing. it is particularly effective for mixed flow delivery of two-phase flow-prone fouling solids.
dyq40 equipped with eccentric half ball valve features
1, sealed tightly, delivering zero harmful gas leakage.
2, the valve hemisphere with bimetallic, base metal surfacing on different alloys, the valve seat is also the corresponding surfacing by special treatment, the sealing surface into anti-corrosion, wear-resistant, high strength and other types to meet the needs of different occasions .
3, the seal of the deputy left the amount of compensation valve, when the valve to do wear, turning off a little while, any reliable sealing, extending the service life. in addition, the user will squeeze the nut twist off, seat adjustment or replacement valve is still available, to avoid the failure of the valve seal, the entire scrap defects.
4, the structure of the principle of eccentric tight tight through the transmission mechanism to achieve the purpose of regulating, closing, sealing pair is a metal surface with hard-surface contact seal, the double-eccentric structure in the open when the spool is located in possession of the ball room, large flow cross-section , and the valve is not washed, the valve core is not washed off when closed, open when the valve core gradual progress along the valve seat, the effective removal of scaling obstacles to achieve a reliable seal. it is particularly effective for mixed flow delivery of two-phase flow-prone fouling solids.
dyq40 equipped with eccentric half ball valve main performance specifications
nominal pressure | 0.6 | 1.0 | 1.6 | 2.0 | 2.5 | 4.0 | 5.0 | 6.4 | 10 | |
shell test pressure | 0.9 | 1.5 | 2.4 | 3.0 | 3.8 | 6.0 | 7.5 | 9.6 | 15 | |
high pressure seal test | 0.66 | 1.1 | 1.8 | 2.2 | 2.8 | 4.4 | 5.5 | 7.1 | 11 | |
applicable medium | dyq40 type | water, steam, pulp and other solutions t ≤ 180 ℃ | ||||||||
dyq40 type | natural gas, gas, liquefied gas, crude oil, heavy oil t ≤ 425 ℃ | |||||||||
dyq40 type | solution, pulp, alumina powder, coal dust, coal ash, dusty gas, waste residue, etc. t ≤ 300 ℃ | |||||||||
dyq40 equipped with eccentric half ball valve main parts material and code
part name | dyq40 type | dyq40 type | dyq40 type |
body | carbon steel wcb / stainless steel cf8 | carbon steel wcb / stainless steel cf8 | carbon steel wcb / stainless steel cf8 |
valve stem | 2cr13 / 304 | 2cr13 / 304 | 2cr13 / 304 |
spool seal pair | wcb / cf8 + cr | wcb / cf8 + hardened alloy steel | special hardened alloy steel jk117 / 17co alloy |
seat seal pair | ptfe / molon | wcb / cf8 + hardened alloy steel | special hardened alloy steel jk117 / 17co alloy |

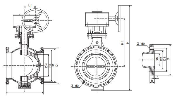
nominal pressure | nominal diameter (mm) | size (mm) | |||||||
l | d | k | d | b | z-d0 | hw | hd | ||
1.0mpa | 100 | 229 | 220 | 180 | 156 | 22 | 8-φ18 | 330 | 380 |
125 | 254 | 210 | 210 | 184 | 22 | 8-φ18 | 345 | 405 | |
150 | 267 | 240 | 240 | 211 | 24 | 8-φ22 | 370 | 440 | |
200 | 292 | 295 | 295 | 266 | 24 | 8-φ22 | 405 | 470 | |
250 | 330 | 350 | 350 | 319 | 26 | 12-φ22 | 480 | 540 | |
300 | 403 | 400 | 400 | 370 | 26 | 12-φ22 | 520 | 580 | |
350 | 430 | 460 | 460 | 429 | 26 | 16-φ22 | 570 | 630 | |
400 | 530 | 515 | 515 | 480 | 26 | 16-φ26 | 630 | 710 | |
450 | 580 | 565 | 565 | 530 | 28 | 20-φ26 | 690 | 770 | |
500 | 660 | 620 | 620 | 582 | 28 | 20-φ26 | 740 | 820 | |
600 | 840 | 725 | 725 | 682 | 34 | 20-φ30 | 840 | 940 | |
700 | 900 | 840 | 840 | 794 | 34 | 24-φ30 | 960 | 1040 | |
800 | 1000 | 950 | 950 | 901 | 36 | 24-φ33 | 1080 | 1180 | |
900 | 1100 | 1050 | 1050 | 1001 | 38 | 28-φ33 | 1190 | 1280 | |
1000 | 1200 | 1160 | 1160 | 1112 | 38 | 28-φ36 | 1310 | 1420 | |
1200 | 1300 | 1380 | 1380 | 1328 | 44 | 32-φ39 | 1420 | 1530 | |
1400 | 1500 | 1590 | 1590 | 1530 | 48 | 36-φ42 | 1540 | 1650 | |
1.6mpa | 100 | 229 | 180 | 180 | 156 | 22 | 8-φ18 | 330 | 380 |
125 | 254 | 210 | 210 | 184 | 22 | 8-φ18 | 345 | 405 | |
150 | 267 | 240 | 240 | 211 | 24 | 8-φ22 | 370 | 440 | |
200 | 292 | 295 | 295 | 266 | 24 | 12-φ22 | 405 | 470 | |
250 | 330 | 355 | 355 | 319 | 26 | 12-φ26 | 480 | 540 | |
300 | 403 | 410 | 410 | 370 | 28 | 12-φ26 | 520 | 580 | |
350 | 430 | 470 | 470 | 429 | 30 | 16-φ26 | 570 | 630 | |
400 | 530 | 525 | 525 | 480 | 32 | 16-φ30 | 630 | 710 | |
450 | 580 | 650 | 585 | 548 | 40 | 20-φ30 | 690 | 770 | |
500 | 660 | 770 | 650 | 609 | 44 | 20-φ33 | 740 | 820 | |
600 | 840 | 840 | 770 | 720 | 54 | 20-φ36 | 840 | 940 | |
700 | 900 | 950 | 840 | 794 | 40 | 24-φ36 | 960 | 1040 | |
800 | 1000 | 1050 | 950 | 901 | 42 | 24-φ39 | 1080 | 1180 | |
900 | 1100 | 1125 | 1050 | 1001 | 44 | 28-φ39 | 1190 | 1280 | |
1000 | 1200 | 1255 | 1170 | 1112 | 46 | 28-φ42 | 1310 | 1420 | |
1200 | 1300 | 1485 | 1390 | 1328 | 52 | 32-φ48 | 1420 | 1530 | |
1400 | 1500 | 1590 | 1590 | 1530 | 58 | 36-φ48 | 1540 | 1650 | |