d671x-10u pneumatic upvc butterfly valve overview
d671x-10u pneumatic upvc butterfly valve produced and sold by woci valve group are lightweight and corrosion resistant and are used in a variety of applications such as plumbing and drinking water systems, drainage and sewer systems, brine and seawater systems, acid-base and chemical solutions and many other industries, the quality of the majority of users recognized.
d671x-10u pneumatic upvc butterfly valve main parameters
| air driven | compressed air 4-6bar (with handwheel) |
| nominal diameter | 50 ~ 300mm |
| nominal pressure | 1.0 ~ 1.6mpa |
| proper temperature | 0 ~ + 60 ℃ |
| connection method | on the folder |
| valve structure | a type |
| body material | upvc, cpvc, pp |
| spool material | upvc, cpvc, pp, ptfe |
| sealing material | fpm, epdm, nbr |
| suitable media | pvc compatible food industrial chemical solvents |
| optional accessories | limit switch, positioner, solenoid valve, pressure reducing valve |
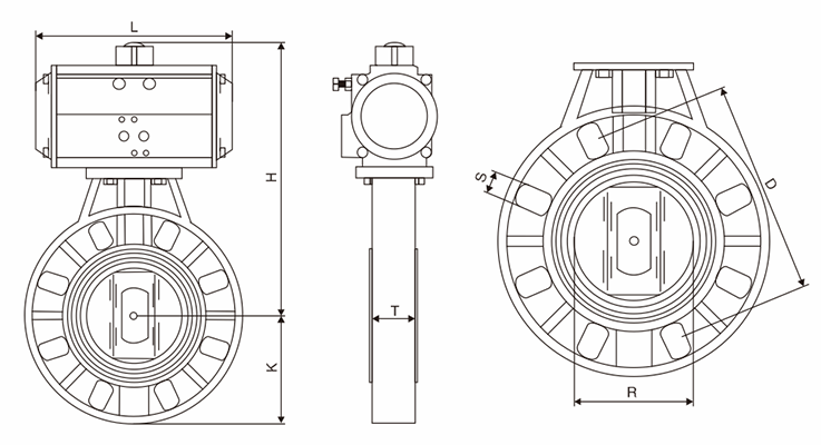
d671x-10u pneumatic upvc butterfly valve main dimensions

| path (mm) | inch" | size (mm) | |||||||||
| l | d1 | d2-ansi | d2-jis | d2-din | d3 | h | n-φm-ansi | n-φm-jsi | n-φm-din | ||
| 50 | 2 | 43 | 56.5 | 120.39 | 120 | 125 | 165 | 103 | 4-19 | 4-19 | 4-18 |
| 65 | 2 1/2 | 47.5 | 70 | 139.44 | 140 | 145 | 185 | 113 | 4-19 | 4-19 | 4-18 |
| 80 | 3 | 47.5 | 79 | 152.4 | 150 | 160 | 201 | 115 | 4-19 | 4-19 | 4-18 |
| 100 | 4 | 57.2 | 103 | 190.5 | 175 | 180 | 229 | 135 | 8-19 | 8-19 | 8-18 |
| 125 | 5 | 66 | 130 | 216 | 210 | 210 | 257 | 165 | 8-22 | 8-23 | 8-18 |
| 150 | 6 | 74 | 151 | 241.55 | 240 | 240 | 285 | 177 | 8-22 | 8-23 | 8-23 |
| 200 | 8 | 87.5 | 200 | 298.5 | 290 | 295 | 343 | 210 | 8-22 | 8-23 | 8-23 |
| 250 | 10 | 110 | 255 | 362 | 355 | 350 | 411 | 240 | 12-25 | 12-25 | 12-23 |
| 300 | 12 | 129 | 311 | 432 | 400 | 400 | 490 | 297 | 12-25 | 12-25 | 12-23 |