服务热线:150 0066 6432

关于沃茈

关于沃茈

about

关于沃茈

关于沃茈

about

产品查找
免费获取报价
提交

联系我们,我们将为您提供合理的解决方案!

WOCI VALVE®

SQD643X气动三通切换阀

  • 1产品型号:SQD643X
  • 2公称通径:DN500~DN2400
  • 3适用温度: ≤80℃-500℃
  • 4驱动方式:气动、液动
  • 5适用介质:含尘气体、煤气、空气
客户订购咨询:15000666432
#
详细介绍

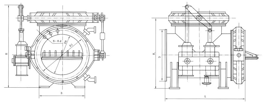
一、SQD643X气动三通切换阀结构特点及用途

沃茈阀门(上海)有限公司生产销售的SQD643X气动三通切换阀是一种气体切换的理想设备,是我司吸取国内外同类产品的技术研制而成的,本阀具有结构简单,操作方便,密封可靠,切换准确,使用寿命长,广泛应用在冶金、石化、环保等行业现场操作或远距离控制。特别适用于钢铁厂转炉煤气回收装置中控制煤气的回 收与放散。本阀主要由三通体和两只密封蝶阀及二只气(油)缸、连杆、控制箱组成。


二、气动三通切换阀主要性能



0.296877