服务热线:150 0066 6432
一、J41Y国标法兰锻钢截止阀产品概述:
沃茈阀门(上海)有限公司生产销售的J41Y国标法兰锻钢截止阀整体法兰阀门有三种阀盖设计,第一种是螺栓型阀盖,通过凹凸面连接,采用不锈钢带与柔性石墨缠绕垫片,按需求也可采用环连接,第二种是焊接型阀盖,通过螺纹密封后焊接,按需求也可直接采用刚性焊接,第三种是自密封阀盖,通过螺纹与自密封阀盖连接。产品广泛应用于石油、化工、制药、电力行业等各种工况的管路上。
二、J41Y国标法兰锻钢截止阀特点及优点:
1、该产品严格按api602、bs 5352标准设计制造,阀瓣沿着中心定位作升降运动,(衬套采用耐磨性能好,摩擦系数小的特殊材料制作),动作灵活可靠,密封性能优良。产品广泛应用于石油、化工、制药、电力行业等各种工况的管路上。 2、手轮采用可锻铸铁锻造,造型配合手握,适当增加摩擦力,方便开启。并示有明显的"开"、"关"标记。较大口径、较高压力的可选用撞击式手轮。 3、阀杆螺母采用高镍球铁, "t"形螺纹与阀杆配合传递力矩。阀盖上填料压盖和压套分体设计,保证阀杆的同心度。合理的填料函确保阀门没有外漏。符合环保要求。 4、阀盖设有上密封座。符合美国石油协会api和英国bs标准的要求。
三、J41Y国标法兰锻钢截止阀设计与制造标准:
设计与制造:jb/t1751 、gb/t12235 结构长度:gb/t12235 法兰尺寸:jb/t79、gb/t9113 螺纹连接尺寸:gb/t7306 对焊连接尺寸: gb/t12224 压力温度:gb/t9131 检验与试验:jb/t9092、gb/t13927
四、J41Y国标法兰锻钢截止阀的材料明细表:
序号 | 零件名称 | 碳钢系列 | 合金钢系列 | 不锈钢系列 | |
astm/asme | |||||
1 | 阀体/body | a105 | a182f22 | a182f304(l) | a182f316(l) |
2 | 阀瓣/disc | a182/f430 & 410 | a182/f304 | a182f/304(l) | a182/f316(l) |
3 | 阀杆/stem | a182/f6a | a182/f304 | a182/f304(l) | a182/f316(l) |
4 | 密封垫片/gasket | 304+夹柔性石墨 | 304+夹柔性石墨 | 316+夹柔性石墨/ptfe | 316+夹柔性石墨/ptfe |
5 | 阀盖/bonnet | a105 | a182/f304 | a182/f304(l) | a182/f316(l) |
6 | 螺柱/stud | a193/b7 | a193/b16 | a193/b8 | a193/b8m |
7 | 销轴/pin | a276/420 | a276/304 | ||
8 | 填料压套/packing bushing | a276/410 | a182/f304(l) | a182/f316(l) | |
9 | 填料压板/gland | a105 | a182/f11 | a182/f304(l) | a182/f316(l) |
10 | 活结螺栓/eyebolt | a193/b7 | a193/b16 | a193/b8 | a193/b8m |
11 | 螺母/eyebolt nut | a194/2h | a194/4 | a194/8 | a194/8m |
12 | 阀杆螺母/stem nut | a276/410 | |||
13 | 手轮螺母/ handwheel nut | a194/2h | a194/4 | a194/8 | a194/8m |
14 | 铭牌/ nameplate | ss 304 | 17 | 铭牌/ nameplate | ss 304 |
15 | 手轮/handwheel | a197 | |||
16 | 填料/packing | 柔性石墨 | |||
17 | 铭牌/ nameplate | ss 304 | |||
适用介质 | 水、蒸汽、油品等 | 水、蒸汽、油品等 | 硝酸、醋酸等 | ||
适用温度 | -29℃~425℃ | -29℃~550℃ | -29℃~200℃ | ||
注:客户需求的其他材质也可采用.密封面材料配对客户指定内件代号决定
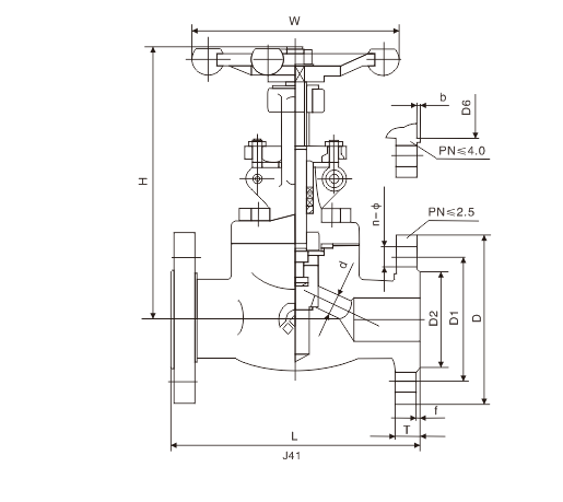
五、J41Y国标法兰锻钢截止阀尺寸(mm)和重量(kg):

| pn(mpa) | dn(mm) | 15 | 20 | 25 | 32 | 40 | 50 | 65 |
| 1.6 | d(缩径) | 10 | 13 | 19.1 | 24 | 31.8 | 38.1 | 48.5 |
| 2.5 | ||||||||
| 4.0 | ||||||||
| 6.4 | ||||||||
| 10.0 | ||||||||
| 1.6 | l | 130 | 150 | 160 | 190 | 200 | 230 | 290 |
| 2.5 | ||||||||
| 4.0 | ||||||||
| 6.4 | 170 | 190 | 210 | 230 | 260 | 300 | 340 | |
| 10.0 | ||||||||
| 1.6 | h(开启) | 158 | 163 | 193 | 250 | 250 | 291 | 350 |
| 2.5 | ||||||||
| 4.0 | ||||||||
| 6.4 | ||||||||
| 10.0 | ||||||||
| 1.6 | w | 100 | 100 | 125 | 160 | 160 | 180 | 240 |
| 2.5 | ||||||||
| 4.0 | ||||||||
| 6.4 | ||||||||
| 10.0 | ||||||||
| 1.6 | wt(kg) | 3.8 | 4.5 | 5.6 | 6.3 | 9.1 | 13.7 | 24.5 |
| 2.5 | 4.0 | 4.7 | 5.8 | 6.5 | 10.7 | 15.3 | 26.2 | |
| 4.0 | 4.3 | 5.0 | 6.3 | 7.0 | 12.3 | 18.8 | 27.7 | |
| 6.4 | 4.8 | 5.6 | 8.0 | 9.4 | 13.7 | 23.7 | 32.0 | |
| 10.0 | 5.4 | 6.6 | 9.8 | 10.5 | 18.6 | 27.6 | 35.0 |